自动化机器人 KRC4 低压电源件的作用及工作原理
发布日期:2022-07-20 09:52 浏览量:
1 机器人电机制动装置
2 外围设备
3 机器人控制系统电脑
4 KSP's
5 KPP
6 蓄电池
7 控制柜风扇
8 RDC
9 smartPAD
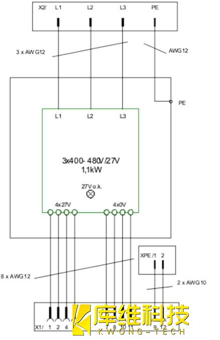
机器人电源件连接 3x400V AC 市电,
然后提供 40A 的 27V DV 输出电压
一个绿色 LED (输出电压 = 正常)显示工业机器人低压电源件的工作状态。
工业机器人KRC 4 低压电源件的原理电路图
工业机器人KRC 4 27V 电源件的原理性接线图如下

1 机器人控制系统必须保持关机状态,并采取保护措施以防意外重启。
2 控制系统已关闭。
3 电源线必须已断电。
警告:即使在主开关关断时,白色导线也带有电源电压! 在接触导线时此电源电压可造成致命伤害。
4 按 ESD 准则进行作业。
相关文章

常见的工业机器人主要有哪几个种类?

机器人厂家如何助力企业提升竞争力与盈利能力

探秘优秀工业机器人制造商选择秘籍:必备指南与实用建议

掌握最新自动化生产线技术,轻松提高生产效能!

切割机器人的五大应用领域及精选案例解读

机械臂+LED显示屏舞台工程案例分析

工业机器人自动化:推动生产领域革新

自动化生产线工业机器人线束连接注意事项

自动化工业机器人控制设备安装环境说明